本页导航
            
            广告链接
            
                
                
                
                
                
            
        
        径向滑动轴承的选用与验算
径向滑动轴承的选用与验算
| 
                             径向滑动轴承的选用与验算  | 
                    |||
|---|---|---|---|
| 
                             选 用 原 则  | 
                        
                             验 算  | 
                    ||
| 
                             项目  | 
                        
                             计 算 简 图  | 
                        
                             计 算 范 围  | 
                    |
| 
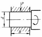
                             (1)轴承座的载荷方向应该在轴承中心线左、右35°的范围内,如下图所示。图中阴影部分是允许承受的径向载荷的范围 
 (2)轴承允许通过轴肩承受不大的轴向载荷,当轴肩直径不小于轴瓦肩部外径时,允许承受的轴向载荷不大于最大径向载荷的30%  | 
                        
                             压强 p  | 
                        
                             
  | 
                        
                             
  | 
                    
| 
                             pυ值  | 
                        
                             
  | 
                    ||
| 
                             圆周 速度  | 
                        
                             
  | 
                    ||
| 
                             符 号 意 义  | 
                        
                             P —— 轴承径向载荷,N d、B —— 轴颈的直径和工作宽度,mm pp—— 许用压强,MPa,见表滑动轴承的材料性能 n —— 轴颈转速,r/min (pυ)p—— 许用pυ值,MPa·m/s,见表滑动轴承的材料性能 υp—— 许用υ值,m/s,见表滑动轴承的材料性能  | 
                    ||
| 
                             注:由于滑动速度过高,会加速磨损,同时由于实际运行中因轴发生弯曲、不同轴度、振动时,会影响轴承边缘产生相当大的压强,故应保证υ不超过许用值。  | 
                    |||
| 选用原则 | 验 算 | ||
|---|---|---|---|
| 项目 | 计算简图 | 计算范围 | |
| 
                            (1)轴承座的载荷方向应该在轴承中心线左、右35°的范围内。 
  | 
                        压强p | 
                             
                         | 
                        
                             
                         | 
                    
| pv值 | 
                             
                         | 
                    ||
| 圆周速度 | 
                             
                         | 
                    ||
| 符号意义 | 
                            P──轴承径向载荷,N d、B──轴颈的直径和工作宽度,mm Pp──许用压强,MPa,见表“滑动轴承的材料性能” n──轴颈转速,r/mn (pv)p──许用pv值,MPa·m/s,见表“滑动轴承的材料性能” vp──许用v值,m/s,见表“滑动轴承的材料性能”  | 
                    ||
| 
                             注:由于滑动速度过高,会加速磨损,同时由于实际运行中因轴发生弯曲、不同轴度、振动时,会影响轴承边缘产生相当大的压强,故应保证v不超过许用值。  | 
                    |||




