滑动轴承间隙与配合的选择
几种机床及通用设备滑动轴承的配合
|
几种机床及通用设备滑动轴承的配合 |
|
|---|---|
|
设 备 类 别 |
配 合 |
|
磨床与车床分度头主轴承 |
H7/g6 |
|
铣床、钻床及车床的轴承,汽车发动机曲轴的主轴承及连杆轴承,齿轮减速器及蜗杆减速器轴承 |
H7/f7 |
|
电机、离心泵、风扇及惰齿轮轴的轴承,蒸汽机与内燃机曲轴的主轴承和连杆轴承 |
H9/f9 |
|
农业机械用的轴承 |
H11/d11 |
|
汽轮发电机轴、内燃机凸轮轴、高速转轴、刀架丝杠、机车多支点轴等的轴承 |
H7/e8 |
|
农业机械用的轴承 |
H11/b11 |
| 设备类别 | 配合 |
|---|---|
| 磨床与车床分度头主轴承 | H7/g6 |
| 铣床、钻床及车床的轴承,汽车发动机曲轴的主轴承及连杆轴承,齿轮减速器及蜗杆减速器轴承 | H7/f7 |
| 电机、离心泵、风扇及惰齿轮轴的轴承,蒸汽机与内燃机曲轴的主轴承和连杆轴承 | H9/f9 |
| 农业机械用的轴承 | H11/d11 |
| 汽轮发电机轴、内燃机凸轮轴、高速转轴、刀架丝杠、机车多支点轴等的轴承 | H7/e8 |
| 农业机械用的轴承 | H11/b11 |
活塞式发动机和油膜轴承的配合(JB/ZQ4614-2006)
|
活塞式发动机和油膜轴承的配合(JB/ZQ 4614—2006) mm |
|||||||||
|---|---|---|---|---|---|---|---|---|---|
|
本标准适用于活塞式发动机和油膜轴承。轴颈最大圆周速度为10m/s;润滑油的粘度不大于120mm2/s。选择配合间隙时,应考虑到轴承的平均间隙为 |
轴承直径 d |
孔 |
轴 |
||||||
|
公差代号 |
极限偏差 |
公差代号 |
极限偏差 |
||||||
|
>30~50 |
H7 |
|
f7 |
-0.025 -0.050 |
|||||
|
>50~80 |
H7 |
|
f7 |
-0.030 -0.060 |
|||||
|
>80~120 |
H7 |
|
e8 |
-0.072 -0.126 |
|||||
|
>120~180 |
H7 |
|
e8 |
-0.085 -0.148 |
|||||
|
>180~250 |
H7 |
|
e8 |
-0.100 -0.172 |
|||||
|
轴承直径 d |
孔 |
轴 |
轴承直径 d |
孔 |
轴 |
||||
|
公差代号 |
极限偏差 |
给定尺寸d1 |
极限偏差 |
公差代号 |
极限偏差 |
给定尺寸d1 |
极限偏差 |
||
|
260 |
H7 |
|
259.74 |
±0.03 |
480 |
H7 |
|
479.52 |
±0.03 |
|
280 |
279.72 |
500 |
499.50 |
||||||
|
300 |
299.70 |
530 |
H7 |
|
529.47 |
||||
|
320 |
H7 |
|
319.68 |
560 |
559.44 |
||||
|
340 |
339.66 |
600 |
599.40 |
||||||
|
360 |
359.64 |
630 |
629.37 |
||||||
|
380 |
379.62 |
670 |
H7 |
|
669.33 |
||||
|
400 |
399.60 |
710 |
709.49 |
||||||
|
420 |
H7 |
|
419.58 |
750 |
749.45 |
||||
|
450 |
449.55 |
800 |
799.40 |
||||||
|
注:轴的给定尺寸 d1 按下式计算:
|
|||||||||
活塞式发动机和油膜轴承的配合(摘自JB/ZQ 4614-1997)
|
几种机床及通用设备滑动轴承的配合 |
|
|---|---|
|
设 备 类 别 |
配 合 |
|
磨床与车床分度头主轴承 |
H7/g6 |
|
铣床、钻床及车床的轴承,汽车发动机曲轴的主轴承及连杆轴承,齿轮减速器及蜗杆减速器轴承 |
H7/f7 |
|
电机、离心泵、风扇及惰齿轮轴的轴承,蒸汽机与内燃机曲轴的主轴承和连杆轴承 |
H9/f9 |
|
农业机械用的轴承 |
H11/d11 |
|
汽轮发电机轴、内燃机凸轮轴、高速转轴、刀架丝杠、机车多支点轴等的轴承 |
H7/e8 |
|
农业机械用的轴承 |
H11/b11 |
注:1. 本标准适用于活塞式发动机和油膜轴承。轴颈最大圆周速度为10m/s;润滑油的粘度不大于120mm^2/s。选择配合间隙时,应考虑到轴承的平均间隙为e=d/1000。
2. 轴的给定尺寸d1按下式计算:
d1=d-d/1000
3. 括号中逗号前后分别表示上偏差和下偏差。
4. 本表的单位是mm。
| 轴承直径d | 孔 | 轴 | |||
|---|---|---|---|---|---|
| 公差代号 | 极限偏差 | 公差代号 | 给定尺寸d1 | 极限偏差 | |
| >30~50 | H7 | (+0.025,0) | f7 | (-0.025,-0.050) | |
| >50~80 | H7 | (+0.030,0) | f7 | (-0.030,-0.060) | |
| >80~120 | H7 | (+0.035,0) | e8 | (-0.072,-0.126) | |
| >120~180 | H7 | (+0.040,0) | e8 | (-0.085,-0.148) | |
| >180~250 | H7 | (+0.046,0) | e8 | (-0.100,-0.172) | |
| 260 | H7 | (+0.052,0) | 259.74 | ±0.03 | |
| 280 | H7 | (+0.052,0) | 279.72 | ±0.03 | |
| 300 | H7 | (+0.052,0) | 299.7 | ±0.03 | |
| 320 | H7 | (+0.057,0) | 319.68 | ±0.03 | |
| 340 | H7 | (+0.057,0) | 339.66 | ±0.03 | |
| 360 | H7 | (+0.057,0) | 359.64 | ±0.03 | |
| 380 | H7 | (+0.057,0) | 379.62 | ±0.03 | |
| 400 | H7 | (+0.057,0) | 399.6 | ±0.03 | |
| 420 | H7 | (+0.063,0) | 419.58 | ±0.03 | |
| 450 | H7 | (+0.063,0) | 449.55 | ±0.03 | |
| 480 | H7 | (+0.063,0) | 479.52 | ±0.03 | |
| 500 | H7 | (+0.063,0) | 499.5 | ±0.03 | |
| 530 | H7 | (+0.070,0) | 529.47 | ±0.03 | |
| 560 | H7 | (+0.070,0) | 559.44 | ±0.03 | |
| 600 | H7 | (+0.070,0) | 599.4 | ±0.03 | |
| 630 | H7 | (+0.070,0) | 629.37 | ±0.03 | |
| 670 | H7 | (+0.080,0) | 669.33 | ±0.03 | |
| 710 | H7 | (+0.080,0) | 709.49 | ±0.03 | |
| 750 | H7 | (+0.080,0) | 749.45 | ±0.03 | |
| 800 | H7 | (+0.080,0) | 799.4 | ±0.03 | |
活塞式发动机和油膜轴承的轴承间隙(JB/ZQ4614-2006)
|
活塞式发动机和油膜轴承的轴承间隙 (JB/ZQ 4614—2006) /mm |
|||||||
|---|---|---|---|---|---|---|---|
|
轴承直径 d |
最小间隙 |
平均间隙 |
最大间隙 |
轴承直径 d |
最小间隙 |
平均间隙 |
最大间隙 |
|
>30~50 |
0.025 |
0.050 |
0.075 |
340 |
0.30 |
0.34 |
0.38 |
|
>50~80 |
0.030 |
0.060 |
0.090 |
360 |
0.32 |
0.36 |
0.40 |
|
>80~120 |
0.072 |
0.117 |
0.161 |
380 |
0.34 |
0.38 |
0.42 |
|
130 |
0.085 |
0.137 |
0.188 |
400 |
0.36 |
0.40 |
0.44 |
|
140 |
0.085 |
0.137 |
0.188 |
420 |
0.38 |
0.42 |
0.46 |
|
150 |
0.12 |
0.15 |
0.19 |
450 |
0.41 |
0.45 |
0.49 |
|
160 |
0.13 |
0.16 |
0.20 |
480 |
0.44 |
0.48 |
0.52 |
|
180 |
0.15 |
0.18 |
0.21 |
500 |
0.46 |
0.50 |
0.54 |
|
200 |
0.17 |
0.20 |
0.28 |
530 |
0.49 |
0.53 |
0.57 |
|
220 |
0.19 |
0.22 |
0.25 |
560 |
0.52 |
0.56 |
0.60 |
|
240 |
0.21 |
0.24 |
0.27 |
600 |
0.56 |
0.60 |
0.64 |
|
250 |
0.22 |
0.25 |
0.28 |
630 |
0.59 |
0.63 |
0.67 |
|
260 |
0.23 |
0.26 |
0.29 |
670 |
0.62 |
0.67 |
0.72 |
|
280 |
0.25 |
0.28 |
0.31 |
710 |
0.66 |
0.71 |
0.76 |
|
300 |
0.27 |
0.30 |
0.33 |
750 |
0.70 |
0.75 |
0.80 |
|
320 |
0.28 |
0.32 |
0.36 |
800 |
0.75 |
0.80 |
0.85 |
|
注:选用条件同表机械压力机整体式滑动轴承的配合及间隙选择。 |
|||||||
注:本表的单位是mm。
| 轴承直径d | 最小间隙 | 平均间隙 | 最大间隙 |
|---|---|---|---|
| >30~50 | 0.025 | 0.05 | 0.075 |
| >50~80 | 0.03 | 0.06 | 0.09 |
| >80~120 | 0.072 | 0.117 | 0.161 |
| 130 | 0.085 | 0.137 | 0.188 |
| 140 | 0.085 | 0.137 | 0.188 |
| 150 | 0.12 | 0.15 | 0.19 |
| 160 | 0.13 | 0.16 | 0.2 |
| 180 | 0.15 | 0.18 | 0.21 |
| 200 | 0.17 | 0.2 | 0.28 |
| 220 | 0.19 | 0.22 | 0.25 |
| 240 | 0.21 | 0.24 | 0.27 |
| 250 | 0.22 | 0.25 | 0.28 |
| 260 | 0.23 | 0.26 | 0.29 |
| 280 | 0.25 | 0.28 | 0.31 |
| 300 | 0.27 | 0.3 | 0.33 |
| 320 | 0.28 | 0.32 | 0.36 |
| 340 | 0.3 | 0.34 | 0.38 |
| 360 | 0.32 | 0.36 | 0.4 |
| 380 | 0.34 | 0.38 | 0.42 |
| 400 | 0.36 | 0.4 | 0.44 |
| 420 | 0.38 | 0.42 | 0.46 |
| 450 | 0.41 | 0.45 | 0.49 |
| 480 | 0.44 | 0.48 | 0.52 |
| 500 | 0.46 | 0.5 | 0.54 |
| 530 | 0.49 | 0.53 | 0.57 |
| 560 | 0.52 | 0.56 | 0.6 |
| 600 | 0.56 | 0.6 | 0.64 |
| 630 | 0.59 | 0.63 | 0.67 |
| 670 | 0.62 | 0.67 | 0.72 |
| 710 | 0.66 | 0.71 | 0.76 |
| 750 | 0.7 | 0.75 | 0.8 |
| 800 | 0.75 | 0.8 | 0.85 |
机械压力机整体式滑动轴承的配合及间隙选择(JB/ZQ4616-2006)
|
机械压力机整体式滑动轴承的配合及间隙选择 (JB/ZQ 4616—2006) /mm |
|||||||||||||||||||||||||
|---|---|---|---|---|---|---|---|---|---|---|---|---|---|---|---|---|---|---|---|---|---|---|---|---|---|
|
轴 套 外 径 公 差 |
|
轴套外径DA |
轴套外径DA及 极限偏差 |
轴套外径DA |
轴套外径DA及 极限偏差 |
DA≤100的极限偏差按k6。DS为与滑动轴套外径相配的孔的实测尺寸 |
|||||||||||||||||||
|
>100~180 |
|
>630~800 |
|
||||||||||||||||||||||
|
>180~315 |
|
>800~1000 |
|
||||||||||||||||||||||
|
>315~400 |
|
>1000~1250 |
|
||||||||||||||||||||||
|
>400~630 |
|
>1250~1600 |
|
||||||||||||||||||||||
|
润 滑 脂 润 滑 的 轴 承 间 隙 |
轴承温升/℃ |
轴套直径 d |
轴、孔偏差 |
应 用 实 例 |
|||||||||||||||||||||
|
孔 |
轴径减小/‰ |
||||||||||||||||||||||||
|
<10 |
(≤80时)
>80~1000 |
H7 (H7) |
-0.8 (轴偏差为e8) |
平锻机曲柄轴承,偏心轴承,辊锻机轧辊轴承 |
|||||||||||||||||||||
|
≥10~30 |
H7 |
-1.0 |
曲柄压力机压杆偏心轴承,冷压机、切边压力机的偏心轴承 |
||||||||||||||||||||||
|
≥30~50 |
H7 |
-1.2 |
热模锻压力机支架和压杆中的偏心轴承 |
||||||||||||||||||||||
|
>50 |
H7 |
-1.4 |
|
||||||||||||||||||||||
|
轴颈加工的极限偏差Δ |
轴颈直径 |
Δ |
轴颈直径 |
Δ |
轴颈直径 |
Δ |
轴颈直径 |
Δ |
轴颈直径 |
Δ |
|||||||||||||||
|
>80~120 |
|
>180~250 |
|
>315~400 |
|
>500~630 |
|
>800~1000 |
|
||||||||||||||||
|
>120~180 |
|
>250~315 |
|
>400~500 |
|
>630~800 |
|
||||||||||||||||||
|
一般 宽度 轴承 间隙 |
轴承直径 d(D) |
极限偏差 |
轴承间隙 |
轴承直径 d(D) |
极限偏差 |
轴承间隙 |
|||||||||||||||||||
|
孔 |
轴 |
孔 |
轴 |
||||||||||||||||||||||
|
>30~50 |
H7 |
-0.034 -0.050 |
0.034~0.075 |
>315~400 |
H7 |
-0.178 -0.214 |
0.178~0.271 |
||||||||||||||||||
|
>50~80 |
-0.061 -0.080 |
0.061~0.110 |
>400~500 |
-0.192 -0.232 |
0.192~0.295 |
||||||||||||||||||||
|
>80~120 |
-0.088 -0.110 |
0.088~0.145 |
>500~630 |
-0.211 -0.255 |
0.211~0.325 |
||||||||||||||||||||
|
>120~180 |
-0.115 -0.140 |
0.115~0.180 |
>630~800 |
-0.235 -0.285 |
0.235~0.365 |
||||||||||||||||||||
|
>180~250 |
-0.143 -0.172 |
0.143~0.218 |
>800~1000 |
-0.254 -0.310 |
0.254~0.400 |
||||||||||||||||||||
|
>250~315 |
-0.159 -0.191 |
0.159~0.243 |
|
|
|
||||||||||||||||||||
|
窄型轴承间隙 |
轴承直径 |
孔的极限偏差 |
轴的减小量 (按轴直径的减小量与 B/d 的关系确定) |
||||||||||||||||||||||
|
>80~1000 |
H7 |
|
|||||||||||||||||||||||
|
注:对工作条件类似的轴承也适用。 |
|||||||||||||||||||||||||
滑动轴承配合计算示例(JB/ZQ4616-2006)
|
滑动轴承配合计算示例 (JB/ZQ 4616—2006) |
|
|---|---|
|
(a) |
(b) |
|
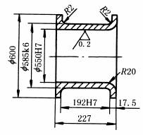
1)一般宽度轴承(图a) 例:平锻机偏心轴套 ①轴套外径配合过盈 设轴承座孔的实测尺寸DS=330mm由表机械压力机整体式滑动轴承的配合及间隙选择查得轴套外径为DA=330mm配合过盈为0.03~0.04mm。 ②轴与轴套的配合间隙 轴套孔径公差为H7,即 ③轴承间隙 最大间隙=孔的上偏差-轴的下偏差=0.052-(-0.280)=0.332mm 最小间隙=孔的下偏差-轴的上偏差=0-(-0.240)=0.240mm |
|
|
2)窄轴承( 轴承接触宽度B=227-20=207mm(其中20为圆角半径), 由表机械压力机整体式滑动轴承的配合及间隙选择查得附加极限偏差为 由于孔的极限偏差为 最大间隙=0.07-(-0.455)=0.525(mm) 最小间隙=0-(-0.385)=0.385(mm) 窄轴承的过盈计算与一般宽度轴承相同。 |
|
机械压力机整体式滑动轴承的配合及间隙选择
|
机械压力机整体式滑动轴承的配合及间隙选择 (JB/ZQ 4616—2006) /mm |
|||||||||||||||||||||||||
|---|---|---|---|---|---|---|---|---|---|---|---|---|---|---|---|---|---|---|---|---|---|---|---|---|---|
|
轴 套 外 径 公 差 |
|
轴套外径DA |
轴套外径DA及 极限偏差 |
轴套外径DA |
轴套外径DA及 极限偏差 |
DA≤100的极限偏差按k6。DS为与滑动轴套外径相配的孔的实测尺寸 |
|||||||||||||||||||
|
>100~180 |
|
>630~800 |
|
||||||||||||||||||||||
|
>180~315 |
|
>800~1000 |
|
||||||||||||||||||||||
|
>315~400 |
|
>1000~1250 |
|
||||||||||||||||||||||
|
>400~630 |
|
>1250~1600 |
|
||||||||||||||||||||||
|
润 滑 脂 润 滑 的 轴 承 间 隙 |
轴承温升/℃ |
轴套直径 d |
轴、孔偏差 |
应 用 实 例 |
|||||||||||||||||||||
|
孔 |
轴径减小/‰ |
||||||||||||||||||||||||
|
<10 |
(≤80时)
>80~1000 |
H7 (H7) |
-0.8 (轴偏差为e8) |
平锻机曲柄轴承,偏心轴承,辊锻机轧辊轴承 |
|||||||||||||||||||||
|
≥10~30 |
H7 |
-1.0 |
曲柄压力机压杆偏心轴承,冷压机、切边压力机的偏心轴承 |
||||||||||||||||||||||
|
≥30~50 |
H7 |
-1.2 |
热模锻压力机支架和压杆中的偏心轴承 |
||||||||||||||||||||||
|
>50 |
H7 |
-1.4 |
|
||||||||||||||||||||||
|
轴颈加工的极限偏差Δ |
轴颈直径 |
Δ |
轴颈直径 |
Δ |
轴颈直径 |
Δ |
轴颈直径 |
Δ |
轴颈直径 |
Δ |
|||||||||||||||
|
>80~120 |
|
>180~250 |
|
>315~400 |
|
>500~630 |
|
>800~1000 |
|
||||||||||||||||
|
>120~180 |
|
>250~315 |
|
>400~500 |
|
>630~800 |
|
||||||||||||||||||
|
一般 宽度 轴承 间隙 |
轴承直径 d(D) |
极限偏差 |
轴承间隙 |
轴承直径 d(D) |
极限偏差 |
轴承间隙 |
|||||||||||||||||||
|
孔 |
轴 |
孔 |
轴 |
||||||||||||||||||||||
|
>30~50 |
H7 |
-0.034 -0.050 |
0.034~0.075 |
>315~400 |
H7 |
-0.178 -0.214 |
0.178~0.271 |
||||||||||||||||||
|
>50~80 |
-0.061 -0.080 |
0.061~0.110 |
>400~500 |
-0.192 -0.232 |
0.192~0.295 |
||||||||||||||||||||
|
>80~120 |
-0.088 -0.110 |
0.088~0.145 |
>500~630 |
-0.211 -0.255 |
0.211~0.325 |
||||||||||||||||||||
|
>120~180 |
-0.115 -0.140 |
0.115~0.180 |
>630~800 |
-0.235 -0.285 |
0.235~0.365 |
||||||||||||||||||||
|
>180~250 |
-0.143 -0.172 |
0.143~0.218 |
>800~1000 |
-0.254 -0.310 |
0.254~0.400 |
||||||||||||||||||||
|
>250~315 |
-0.159 -0.191 |
0.159~0.243 |
|
|
|
||||||||||||||||||||
|
窄型轴承间隙 |
轴承直径 |
孔的极限偏差 |
轴的减小量 (按轴直径的减小量与 B/d 的关系确定) |
||||||||||||||||||||||
|
>80~1000 |
H7 |
|
|||||||||||||||||||||||
|
注:对工作条件类似的轴承也适用。 |
|||||||||||||||||||||||||
































































