滑动轴承的常见型式
整体有衬正滑动轴承(JB/T 2560—2007)
|
整体有衬正滑动轴承(JB/T 2560—2007) mm |
||||||||||||||
|---|---|---|---|---|---|---|---|---|---|---|---|---|---|---|
|
适于环境温度为-20~80℃的工作条件。 标记示例:d=30mm的整体有衬正滑动轴承座:HZ030 轴承座 JB/T 2560-2007
|
||||||||||||||
|
型号 |
d (H8) |
D |
R |
B |
b |
L |
L1 |
H ≈ |
h (h12) |
H1 |
d1 |
d2 |
c |
重量 ≈/kg |
|
HZ020 |
20 |
28 |
26 |
30 |
25 |
105 |
80 |
50 |
30 |
14 |
12 |
M10×1 |
1.5 |
0.6 |
|
HZ025 |
25 |
32 |
30 |
40 |
35 |
125 |
95 |
60 |
35 |
16 |
14.5 |
0.9 |
||
|
HZ030 |
30 |
38 |
30 |
50 |
40 |
150 |
110 |
70 |
35 |
20 |
18.5 |
1.7 |
||
|
HZ035 |
35 |
45 |
38 |
55 |
45 |
160 |
120 |
84 |
42 |
20 |
18.5 |
2 |
1.9 |
|
|
HZ040 |
40 |
50 |
40 |
60 |
50 |
165 |
125 |
88 |
45 |
20 |
18.5 |
2.4 |
||
|
HZ045 |
45 |
55 |
45 |
70 |
60 |
185 |
140 |
90 |
50 |
25 |
24 |
3.6 |
||
|
HZ050 |
50 |
60 |
45 |
75 |
65 |
185 |
140 |
100 |
50 |
25 |
24 |
3.8 |
||
|
HZ060 |
60 |
70 |
55 |
80 |
70 |
225 |
170 |
120 |
60 |
30 |
28 |
M14×1.5 |
2.5 |
6.5 |
|
HZ070 |
70 |
85 |
65 |
100 |
80 |
245 |
190 |
140 |
70 |
30 |
28 |
9.0 |
||
|
HZ080 |
80 |
95 |
70 |
100 |
80 |
255 |
200 |
155 |
80 |
30 |
28 |
10.0 |
||
|
HZ090 |
90 |
105 |
75 |
120 |
90 |
285 |
220 |
165 |
85 |
40 |
35 |
3 |
13.2 |
|
|
HZ100 |
100 |
115 |
85 |
120 |
90 |
305 |
240 |
180 |
90 |
40 |
35 |
15.5 |
||
|
HZ110 |
110 |
125 |
90 |
140 |
100 |
315 |
250 |
190 |
95 |
40 |
35 |
21.0 |
||
|
HZ120 |
120 |
135 |
100 |
150 |
110 |
370 |
290 |
210 |
105 |
45 |
42 |
27.0 |
||
|
HZ140 |
140 |
160 |
115 |
170 |
130 |
400 |
320 |
240 |
120 |
45 |
42 |
38.0 |
||
|
注:1.轴承座壳体和轴套可单独订货,但在订货时必须说明。 3.技术条件应符合JB/T 2564的规定。 |
||||||||||||||
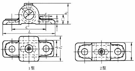
整体无衬正滑动轴承
|
整体无衬正滑动轴承 mm |
|||||||||||
|---|---|---|---|---|---|---|---|---|---|---|---|
|
|
|||||||||||
|
型 式 |
d (H11) |
d1 |
l,b |
l1 |
C |
C1 ±0.5 |
r |
h |
h1 |
L |
|
|
2型 |
1型 |
16 18 |
12 |
30 |
|
70 |
20 |
18 |
9 |
40 |
自 行 考 虑 |
|
20 22 |
12 |
35 |
50 |
70 |
20 |
20 |
10 |
42 |
|||
|
25 28 |
14 |
40 |
60 |
80 |
24 |
24 |
10 |
50 |
|||
|
30 32 |
14 |
50 |
75 |
90 |
26 |
26 |
10 |
54 |
|||
|
36 38 |
14 |
60 |
90 |
100 |
28 |
28 |
12 |
58 |
|||
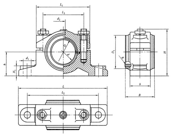
对开式二螺柱正滑动轴承(JB/T 2561—2007)
|
对开式二螺柱正滑动轴承(JB/T 2561—2007) mm |
||||||||||||||||
|---|---|---|---|---|---|---|---|---|---|---|---|---|---|---|---|---|
|
适于环境温度为 -20~80℃ 的工作条件。 标记示例: d=50mm的对开式二螺柱正滑动轴承座: H2050 轴承座 JB/T 2561-2007 |
||||||||||||||||
|
型号 |
d (H8) |
D |
D1 |
B |
b |
H ≈ |
h (h12) |
H1 |
L |
L1 |
L2 |
L3 |
d1 |
d2 |
R |
重量 ≈/kg |
|
H2030 |
30 |
38 |
48 |
34 |
22 |
70 |
35 |
15 |
140 |
85 |
115 |
60 |
10 |
M10×1 |
1.5 |
0.8 |
|
H2035 |
35 |
45 |
55 |
45 |
28 |
87 |
42 |
18 |
165 |
100 |
135 |
75 |
12 |
2 |
1.2 |
|
|
H2040 |
40 |
50 |
60 |
50 |
35 |
90 |
45 |
20 |
170 |
110 |
140 |
80 |
14.5 |
1.8 |
||
|
H2045 |
45 |
55 |
65 |
55 |
40 |
100 |
50 |
20 |
175 |
110 |
145 |
85 |
14.5 |
2.3 |
||
|
H2050 |
50 |
60 |
70 |
60 |
40 |
105 |
50 |
25 |
200 |
120 |
160 |
90 |
18.5 |
2.9 |
||
|
H2060 |
60 |
70 |
80 |
70 |
50 |
125 |
60 |
25 |
240 |
140 |
190 |
100 |
24 |
M14×1.5 |
2.5 |
4.6 |
|
H2070 |
70 |
85 |
95 |
80 |
60 |
140 |
70 |
30 |
260 |
160 |
210 |
120 |
24 |
7.0 |
||
|
H2080 |
80 |
95 |
110 |
95 |
70 |
160 |
80 |
35 |
290 |
180 |
240 |
140 |
28 |
10.5 |
||
|
H2090 |
90 |
105 |
120 |
105 |
80 |
170 |
85 |
35 |
300 |
190 |
250 |
150 |
28 |
3 |
12.5 |
|
|
H2100 |
100 |
115 |
130 |
115 |
90 |
185 |
90 |
40 |
340 |
210 |
280 |
160 |
35 |
17.5 |
||
|
H2110 |
110 |
125 |
140 |
125 |
100 |
190 |
95 |
40 |
350 |
220 |
290 |
170 |
35 |
19.5 |
||
|
H2120 |
120 |
135 |
150 |
140 |
110 |
205 |
105 |
45 |
370 |
240 |
310 |
190 |
35 |
25.0 |
||
|
H2140 |
140 |
160 |
175 |
160 |
120 |
230 |
120 |
50 |
390 |
260 |
330 |
210 |
35 |
4 |
33.5 |
|
|
H2160 |
160 |
180 |
200 |
180 |
140 |
250 |
130 |
50 |
410 |
280 |
350 |
230 |
35 |
45.5 |
||
|
注:1.与轴承座配合的轴颈应进行表面硬化。 2.轴颈圆角尺寸按GB/T 6403.4选取。 3.技术条件应符合 JB/T 2564 的规定。 |
||||||||||||||||
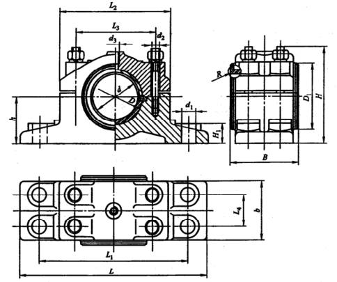
对开式四螺柱正滑动轴承(JB/T 2562—2007)
|
对开式四螺柱正滑动轴承(JB/T 2562—2007) mm |
|||||||||||||||||
|---|---|---|---|---|---|---|---|---|---|---|---|---|---|---|---|---|---|
|
适于环境温度为-20~80℃的工作条件。 标记示例:d=100mm的对开式四螺柱正滑动轴承座:H4100 轴承座 JB/T 2562-2007 |
|||||||||||||||||
|
型号 |
d (H8) |
D |
D1 |
B |
b |
H≈ |
h (h12) |
H1 |
L |
L1 |
L2 |
L3 |
L4 |
d1 |
d2 |
R |
重量 ≈/kg |
|
H4050 |
50 |
60 |
70 |
75 |
60 |
105 |
50 |
25 |
200 |
160 |
120 |
90 |
30 |
14.5 |
M10×1 |
2.5 |
4.2 |
|
H4060 |
60 |
70 |
80 |
90 |
75 |
125 |
60 |
25 |
240 |
190 |
140 |
100 |
40 |
18.5 |
6.5 |
||
|
H4070 |
70 |
85 |
95 |
105 |
90 |
135 |
70 |
30 |
260 |
210 |
160 |
120 |
45 |
18.5 |
M14×1.5 |
9.5 |
|
|
H4080 |
80 |
95 |
110 |
120 |
100 |
160 |
80 |
35 |
290 |
240 |
180 |
140 |
55 |
24 |
14.5 |
||
|
H4090 |
90 |
105 |
120 |
135 |
115 |
165 |
85 |
35 |
300 |
250 |
190 |
150 |
70 |
24 |
3 |
18.0 |
|
|
H4100 |
100 |
115 |
130 |
150 |
130 |
175 |
90 |
40 |
340 |
280 |
210 |
160 |
80 |
24 |
23.0 |
||
|
H4110 |
110 |
125 |
140 |
165 |
140 |
185 |
95 |
40 |
350 |
290 |
220 |
170 |
85 |
24 |
30.0 |
||
|
H4120 |
120 |
135 |
150 |
180 |
155 |
200 |
105 |
40 |
370 |
310 |
240 |
190 |
90 |
28 |
41.5 |
||
|
H4140 |
140 |
160 |
175 |
210 |
170 |
230 |
120 |
45 |
390 |
330 |
260 |
210 |
100 |
28 |
4 |
51.0 |
|
|
H4160 |
160 |
180 |
200 |
240 |
200 |
250 |
130 |
50 |
410 |
350 |
280 |
230 |
120 |
28 |
59.5 |
||
|
H4180 |
180 |
200 |
220 |
270 |
220 |
260 |
140 |
50 |
460 |
400 |
320 |
260 |
140 |
35 |
73.0 |
||
|
H4200 |
200 |
230 |
250 |
300 |
245 |
295 |
160 |
55 |
520 |
440 |
360 |
300 |
160 |
42 |
5 |
98.0 |
|
|
H4220 |
220 |
250 |
270 |
320 |
265 |
360 |
170 |
60 |
550 |
470 |
390 |
330 |
180 |
42 |
125.0 |
||
|
注:1.与轴承座配合的轴颈应进行表面硬化。 2.轴颈圆角尺寸按GB/T 6403.4选取。 3.技术条件应符合 JB/T 2564 的规定。 |
|||||||||||||||||
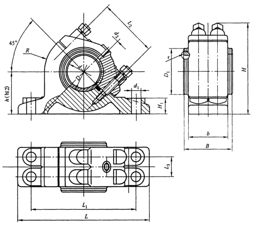
对开式四螺柱斜滑动轴承(JB/T 2563—2007)
|
对开式四螺柱斜滑动轴承(JB/T 2563—2007) mm |
|||||||||||||||||
|---|---|---|---|---|---|---|---|---|---|---|---|---|---|---|---|---|---|
|
适于环境温度-20~80℃的工作条件。 标记示例:d=80mm的对开式四螺柱斜滑动轴承座:HX080 轴承座 JB/T 2563-2007 |
|||||||||||||||||
|
型号 |
d (H8) |
D |
D1 |
B |
b |
H≈ |
h (h12) |
H1 |
L |
L1 |
L2 |
L3 |
R |
d1 |
d2 |
r |
重量 ≈/kg |
|
HX050 |
50 |
60 |
70 |
75 |
60 |
140 |
65 |
25 |
200 |
160 |
90 |
30 |
60 |
14.5 |
M10×1 |
2.5 |
5.1 |
|
HX060 |
60 |
70 |
80 |
90 |
75 |
160 |
75 |
25 |
240 |
190 |
100 |
40 |
70 |
18.5 |
8.1 |
||
|
HX070 |
70 |
85 |
95 |
105 |
90 |
185 |
90 |
30 |
260 |
210 |
120 |
45 |
80 |
18.5 |
M14×1.5 |
12.5 |
|
|
HX080 |
80 |
95 |
110 |
120 |
100 |
215 |
100 |
35 |
290 |
240 |
140 |
55 |
90 |
24 |
17.5 |
||
|
HX090 |
90 |
105 |
120 |
135 |
115 |
225 |
105 |
35 |
300 |
250 |
150 |
70 |
95 |
24 |
3 |
21.0 |
|
|
HX100 |
100 |
115 |
130 |
150 |
130 |
250 |
115 |
40 |
340 |
280 |
160 |
80 |
105 |
24 |
29.5 |
||
|
HX110 |
110 |
125 |
140 |
165 |
140 |
260 |
120 |
40 |
350 |
290 |
170 |
85 |
110 |
24 |
32.5 |
||
|
HX120 |
120 |
135 |
150 |
180 |
155 |
275 |
130 |
40 |
370 |
310 |
190 |
90 |
120 |
28 |
40.5 |
||
|
HX140 |
140 |
160 |
175 |
210 |
170 |
300 |
140 |
45 |
390 |
330 |
210 |
100 |
130 |
28 |
4 |
53.5 |
|
|
HX160 |
160 |
180 |
200 |
240 |
200 |
335 |
150 |
50 |
410 |
350 |
230 |
120 |
140 |
35 |
76.5 |
||
|
HX180 |
180 |
200 |
220 |
270 |
220 |
375 |
170 |
50 |
460 |
400 |
260 |
140 |
160 |
35 |
94.0 |
||
|
HX200 |
200 |
230 |
250 |
300 |
245 |
425 |
190 |
55 |
520 |
440 |
300 |
160 |
180 |
42 |
5 |
120.0 |
|
|
HX220 |
220 |
250 |
270 |
320 |
265 |
440 |
205 |
60 |
550 |
470 |
330 |
180 |
195 |
42 |
140.0 |
||
|
注:1.与轴承座配合的轴颈应进行表面硬化。 2.轴颈圆角尺寸按GB/T 6403.4选取。 3.技术条件应符合JB/T 2564 的规定。 |
|||||||||||||||||
法兰滑动轴承
三螺栓法兰盘滑动轴承
|
三螺栓法兰盘滑动轴承 mm |
|||||||||||||||||
|---|---|---|---|---|---|---|---|---|---|---|---|---|---|---|---|---|---|
|
二螺 栓法 兰盘 无轴套 (图a) |
d(H8) |
d1 |
D |
l |
h |
K |
C |
b |
b1 |
|
|||||||
|
12 14 |
10 |
30 |
25 |
8 |
5 |
60 |
18 |
22 |
|||||||||
|
16 18 |
12 |
34 |
30 |
9 |
5 |
70 |
20 |
24 |
|||||||||
|
20 22 |
12 |
38 |
35 |
10 |
10 |
70 |
22 |
26 |
|||||||||
|
三螺 栓法 兰盘 无轴套 (图b) |
d(H8) |
d1 |
D |
l |
R |
K |
h |
h1 |
|
||||||||
|
16 18 |
12 |
34 |
30 |
35 |
5 |
8 |
23 |
|
|||||||||
|
20 22 |
12 |
38 |
35 |
35 |
10 |
9 |
25 |
|
|||||||||
|
25 28 |
14 |
44 |
40 |
40 |
10 |
10 |
28 |
|
|||||||||
|
二螺 栓法 兰盘 镶轴套 (图c) |
d(H8) |
D(H8/r6~s6) |
D1 (f9) |
d1 |
B |
L |
H |
h |
h1 |
R |
C |
||||||
|
最小 |
最大 |
公称 |
公差 |
||||||||||||||
|
10 |
13 |
16 |
36 |
9 |
40 |
84 |
20 |
12 |
7 |
32 |
±0.5 |
0.5 |
|||||
|
11 |
14 |
18 |
|||||||||||||||
|
12 |
15 |
||||||||||||||||
|
14 |
17 |
20 |
42 |
9 |
48 |
90 |
24 |
14 |
7 |
35 |
±0.5 |
0.5 |
|||||
|
16 |
19 |
22 |
|||||||||||||||
|
18 |
21 |
25 |
50 |
11 |
55 |
109 |
30 |
18 |
11 |
42 |
±0.5 |
0.5 |
|||||
|
20 |
24 |
28 |
|||||||||||||||
|
22 |
25 |
30 |
55 |
60 |
115 |
34 |
20 |
13 |
45 |
||||||||
|
25 |
28 |
32 |
60 |
13 |
65 |
121 |
38 |
20 |
14 |
48 |
±0.5 |
0.5 |
|||||
|
28 |
32 |
36 |
65 |
70 |
129 |
42 |
15 |
52 |
|||||||||
|
(30) |
34 |
38 |
70 |
17 |
75 |
155 |
48 |
22 |
18 |
60 |
±0.5 |
0.7 |
|||||
|
32 |
36 |
40 |
|||||||||||||||
|
36 |
40 |
45 |
75 |
17 |
80 |
165 |
55 |
25 |
22 |
65 |
±0.5 |
0.7 |
|||||
|
40 |
45 |
50 |
80 |
85 |
60 |
24 |
|||||||||||
|
45 |
50 |
55 |
85 |
22 |
95 |
180 |
70 |
25 |
28 |
70 |
±1 |
1 |
|||||
|
50 |
55 |
60 |
90 |
100 |
190 |
75 |
32 |
75 |
|||||||||
|
55 |
60 |
65 |
100 |
110 |
200 |
80 |
30 |
35 |
80 |
||||||||
|
60 |
65 |
70 |
110 |
26 |
120 |
225 |
90 |
30 |
35 |
90 |
±1 |
1 |
|||||
|
70 |
75 |
85 |
130 |
140 |
245 |
100 |
32 |
45 |
100 |
||||||||
|
80 |
90 |
95 |
140 |
150 |
255 |
105 |
|||||||||||
|
注:1.轴承尺寸见表铜合金轴套中表1,尺寸仅供参考。 2.轴承材料:HT150。 |
|||||||||||||||||
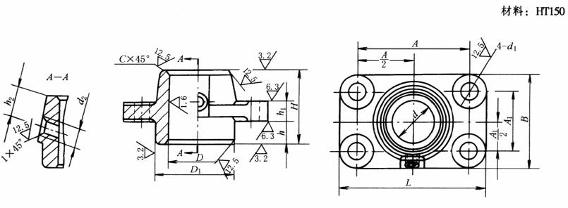
四螺栓法兰盘镶轴套滑动轴承
|
四螺栓法兰盘镶轴套滑动轴承 mm |
||||||||||||||||
|---|---|---|---|---|---|---|---|---|---|---|---|---|---|---|---|---|
|
|
||||||||||||||||
|
d(H8) |
D(H8) |
D1 (f9) |
d1 |
d2 |
B |
L |
H |
h |
h1 |
h2 |
A |
A1 |
C |
|||
|
最小 |
最大 |
公称 |
允差 |
公称 |
允差 |
|||||||||||
|
28 |
32 |
36 |
65 |
11 |
M10×1 |
70 |
120 |
42 |
10 |
20 |
14 |
95 |
±0.35 |
45 |
±0.35 |
1.5 |
|
(30) |
34 |
38 |
65 |
12 |
75 |
125 |
48 |
12 |
22 |
18 |
100 |
±0.35 |
50 |
±0.35 |
||
|
32 |
36 |
40 |
70 |
|||||||||||||
|
36 |
40 |
45 |
75 |
13 |
80 |
135 |
55 |
14 |
25 |
22 |
110 |
±0.35 |
55 |
±0.35 |
||
|
40 |
45 |
50 |
80 |
85 |
145 |
60 |
18 |
24 |
120 |
60 |
||||||
|
45 |
50 |
55 |
85 |
17 |
95 |
165 |
70 |
22 |
25 |
28 |
130 |
±0.35 |
60 |
±0.35 |
||
|
50 |
55 |
60 |
90 |
100 |
175 |
75 |
25 |
32 |
140 |
65 |
||||||
|
55 |
60 |
65 |
100 |
110 |
185 |
80 |
30 |
35 |
150 |
75 |
||||||
|
60 |
65 |
70 |
110 |
22 |
120 |
190 |
90 |
30 |
30 |
35 |
150 |
±0.71 |
80 |
±0.71 |
||
|
70 |
75 |
85 |
130 |
140 |
220 |
100 |
34 |
32 |
45 |
180 |
100 |
|||||
|
80 |
90 |
95 |
140 |
150 |
230 |
190 |
110 |
|||||||||
|
90 |
100 |
105 |
160 |
26 |
M14×1.5 |
170 |
260 |
120 |
34 |
32 |
55 |
210 |
±0.71 |
120 |
±0.71 |
|
|
100 |
110 |
115 |
180 |
190 |
280 |
230 |
140 |
|||||||||
|
110 |
120 |
125 |
190 |
200 |
290 |
140 |
35 |
65 |
240 |
150 |
||||||
|
125 |
135 |
140 |
210 |
32 |
230 |
330 |
150 |
40 |
35 |
70 |
270 |
±0.71 |
170 |
±0.71 |
||
|
130 |
140 |
150 |
210 |
|||||||||||||
|
140 |
150 |
160 |
230 |
32 |
240 |
340 |
170 |
40 |
40 |
80 |
280 |
±0.71 |
180 |
±0.71 |
||
|
150 |
160 |
170 |
230 |
|||||||||||||
|
160 |
170 |
180 |
240 |
32 |
250 |
360 |
190 |
40 |
40 |
90 |
300 |
±0.71 |
190 |
±0.71 |
||
|
180 |
190 |
200 |
260 |
270 |
380 |
220 |
105 |
320 |
210 |
|||||||
|
注:轴承尺寸见表铜合金轴套中表1,尺寸仅供参考。 |
||||||||||||||||







